Brass Bullion Weights M1 Class 1gm to 50kg Standard Weights(Pharmaceutical / Industrial Weights)

Specification

OIML Class: M1 Class
Material Grade: Brass
Density:
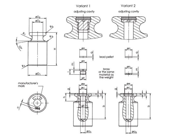
Adjusting Cavity: Yes
Construction: Knob type cylindrical type 50kg to 20g have an adjusting cavity. 10g to 1g are solid.
Usage in: Adjustment testing and calibration instrument for weighbridge, industrial scale, commercial scales, learning materials for schools and training. Load tests in elevator, crane and vehicle building construction. Medium Accuracy class weights Brass bullion knob type weights.
Country of origin: Made in India
Brand: A.R
Transport Package: Pillet Wooden Box for export only
Payment terms: 100 Advance (T/T) or 100% confirmed irrevocable LC at sight.
Note: Class M1 weights or weight sets shall be accompanied by a “Calibration Certificate”.
Special Note: The modification, mistakes or typing mistakes cannot lead to any compensation.

Diamension Chart

Tolerance Limit Chart

primisses primisses
Call Get Price What's App

Related Products

E1-Class