Brass Bullion Knob Type Flate Type Weights 1gm to 1kg

Brass Bullion Knob Type Weights 1gm to 1kg

Specification

OIML Class: M1 Class
Material Grade: Brass
Density:
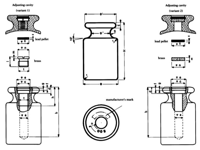
Adjusting Cavity: Yes
Construction: Knob type cylindrical type 1kg to 20g have an adjusting cavity. 10g to 1g are solid.
Usage in: Pharmaceuticals industries Laboratories Food & Chemical industries and Labs.
Country of origin: Made in India
Brand: A.R
Transport Package: Pillet Wooden Box for export only
Payment terms: 100 Advance (T/T) or 100% confirmed irrevocable LC at sight.
Note: Class M1 weights or weight sets shall be accompanied by a “Calibration Certificate”.
Special Note: The modification, mistakes or typing mistakes cannot lead to any compensation.

Tolerance Limit Chart

primisses primisses
Call Get Price What's App

Related Products

E1-Class